请选择语言:
产品中心
首页
>>
产品中心
>>
ENDVR锟斤拷态锟斤拷压锟街革拷装锟斤拷
无线气体自动灭火
电能质量管理
电力测量
高低压电容补偿元件
保护与控制
ENDVR动态电压恢复装置
监控管理系统
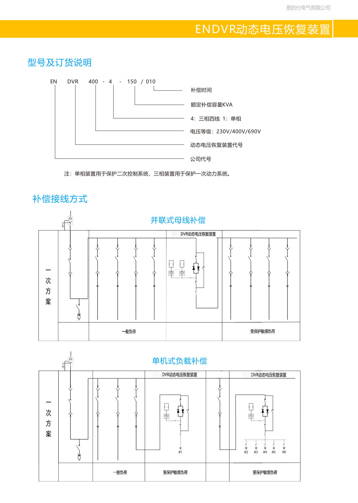
恩的仕 ENDVR动态电压恢复装置
ENDVR动态电压恢复装置采用可靠的电力电子技术,优化的拓扑结构,先进的计算控制逻辑,针对严重影响生产连续性的电源质量问题包括:电压暂降、短时中断、电压暂升以及谐波畸变、无功波动等问题能够有效的治理。
网址
产品
恩的仕电气有限公司
http://www.cnentes.com
国际站:
http://www.entes.com.tr
http://www.entes.org.cn
● 无线气体自动灭火
● 电能质量管理
● 电力测量
● 高低压电容补偿元件
● 保护与控制
● ENDVR动态电压恢复装置
● 监控管理系统
地址:无锡市新吴区高浪东路19号第一上海广场16楼
联系人:俞小姐
手机:18961828820
电话:0510-85026586
邮箱:3370878344@qq.com
版权所有: 恩的仕电气有限公司